Planiranje:

Informacije za poručivanje

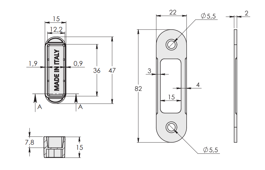
Naziv artiklaŠifraObrada
STV – PRIHVATNIK ZA MAGNETNU BRAVU TIP W8 22MM NIKLINW8NLCNIKL SATEN
STV – PRIHVATNIK ZA MAGNETNU BRAVU TIP W8 22MM SIVIINW8SLVSIVA
STV – PRIHVATNIK ZA MEGNETNU BRAVU TIP W8 22MM CRNIINW8VRNCRNA

Mogućnost poručivanja obrada na upit: nerđajući čelik SS304, bronza, nikl, bela, mesing, hrom, bakar, titanijum.